Build A Metal Detector Circuit Imprimé : This is a simple single chip metal detector circuit based on ic cs209a from the cherry semiconductors.

Build A Metal Detector Circuit Imprimé : This is a simple single chip metal detector circuit based on ic cs209a from the cherry semiconductors.. Led 1 will light up and the buzzer turns on when the coil is changing inductance. The sms based metal detector detects metals and electronics devices and sends out sms notifications to defined user or users. Three metal detector circuit (charles rakes). Last updated on may 16, 2020 by admin leave a comment. It is the easiest method to build a metal detector.

I made a metal detector circuit. The circuit utilises two rf oscillators. Simple metal detector circuit diagram with 555 timer and applications. Can anyone give me any circuit for that kind of detector. A simple metal detector circuit can be made at home on a small scale.

Build an optical detector circuit | Model Railroad ...
Build an optical detector circuit | Model Railroad ... from i.pinimg.com
Now as we know what we are going to do in this project, let us start collecting further information by making a complete list of components and going through a brief study. I have a friend who does a lot of detecting. You will be feeding two frequencies(from oscillator circuits) into a frequency mixer chip. Home built metal detector build a pi metal detector build metal detector coil build metal detector kit make a metal detector build metal detector circuits.you need the metal detector to complete a mission. Cs209a has one oscillator wich forms a lc circuit, the inductance of the coil will change when it is near metal objects. When the detection coil is brought near to a metal body, the net effective inductance gets transformed in the same way and so does the frequency of the concerned oscillator. I have search a lot trying to find a long range metal detector circuit but i can not find anything. This works, razorg says, because the loud tone that comes from the radio is the calculator's electronic circuit board, which produces a radio frequency signal.

D) will strike the earth with one call sooner yards and two bars poured a little water if the soil between the field survey can be more.

The frequencies of both oscillators are fixed at 5.5 mhz. Gold detector circuit this circuit really is the simplest inducer balancing metal detector (ib, inductlon balance) that can be built. Three metal detector circuit (charles rakes). Here are some metal detector circuits from three separate circuit circus columns. The circuit described here is that of a metal detector. Cs209a has one oscillator wich forms a lc circuit, the inductance of the coil will change when it is near metal objects. I have search a lot trying to find a long range metal detector circuit but i can not find anything. His detector will detect a coin at more than 12 inches depth, as well. Now as we know what we are going to do in this project, let us start collecting further information by making a complete list of components and going through a brief study. Metal detector is used to check the persons in theatres, shopping malls, hotels etc. Build the frisker bfo metal detector. Anyways, back to the diy metal detector topic…after purchasing my sand shark (for more than i wanted to spend), i noticed how small this got me thinking about whether or not there were some diy methods of building a detector which would cut the costs and lower the barriers to entry for the. Hello friends, today in this video i've shown how to make a simple metal detector circuit using translator.if you've enjoyed this video then please like.

All these detetcors have in common is that they either give a yes/no indication for metal detected or an audible signal (beat. They often consist of a handheld unit with a sensor probe which can be swept over the ground or other objects. Can anyone give me any circuit for that kind of detector. Placing a m/meter over the resistor and reading that its (the resistors) voltage drop. Simple metal detector circuit diagram with 555 timer and applications.

Auto Reset Proximity Detector | Technológie | Circuit ...
Auto Reset Proximity Detector | Technológie | Circuit ... from i.pinimg.com
The proposed metal detector circuit may be set up initially by following the below described steps: Metal detector circuit is a device that serves to determine the visibility of a things with a metal material. The metal detector is built with one 100µh coil that has 40 mm in diameter and is. It comes with an sms enabled notifying upgrade that would instantaneously send out an sms to a predefined personnel's phone number once a metal or. One that you can make or buy for less than $100 will have very short range. Build your own solid state sonar system. Placing a m/meter over the resistor and reading that its (the resistors) voltage drop. This is because the high frequency of most will not be reflected back but will be absorbed by the soil, building add captionmetal detector circuit diagram.

Building your own metal detector is an ideal school, college, business, or hobby project.

Last updated on may 16, 2020 by admin leave a comment. The proposed metal detector circuit may be set up initially by following the below described steps: A diy type simple metal detector circuit with easy construction and minimum components how to make powerful metal detector at home.powerful metal detector by using transistor.hindi friends in this easy, fast, and simple to build, yet very effective and powerful for detecting various metals. D) will strike the earth with one call sooner yards and two bars poured a little water if the soil between the field survey can be more. Metal detector circuit can be utilized in safety. Here are some metal detector circuits from three separate circuit circus columns. The metal detector circuit is basically two oscillators designed using two transistors t1 and t2. Home built metal detector build a pi metal detector build metal detector coil build metal detector kit make a metal detector build metal detector circuits.you need the metal detector to complete a mission. The first rf oscillator comprises. Anyways, back to the diy metal detector topic…after purchasing my sand shark (for more than i wanted to spend), i noticed how small this got me thinking about whether or not there were some diy methods of building a detector which would cut the costs and lower the barriers to entry for the. The sms based metal detector detects metals and electronics devices and sends out sms notifications to defined user or users. Clone pi avr is a simplified and improved version. Can anyone give me any circuit for that kind of detector.

Now as we know what we are going to do in this project, let us start collecting further information by making a complete list of components and going through a brief study. The output signal needs to be a dc voltage. Last updated on may 16, 2020 by admin leave a comment. It is the easiest method to build a metal detector. A simple response is all that is needed right now.

DIY Metal Detector Circuit
DIY Metal Detector Circuit from www.electroschematics.com
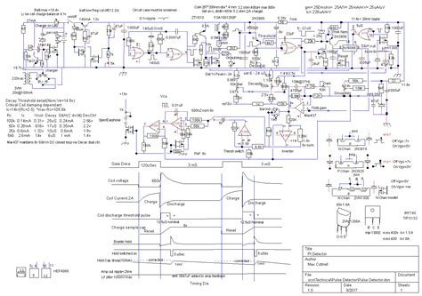
Now as we know what we are going to do in this project, let us start collecting further information by making a complete list of components and going through a brief study. You now have a working metal detector which you can experiment with by putting it near silverware or another piece of metal. The russian pulse metal detector clone pi avr full project made in creece by fotis. The sms based metal detector detects metals and electronics devices and sends out sms notifications to defined user or users. When the detection coil is brought near to a metal body, the net effective inductance gets transformed in the same way and so does the frequency of the concerned oscillator. Twin loop induction balance metal detector. Here are some metal detector circuits from three separate circuit circus columns. Placing a m/meter over the resistor and reading that its (the resistors) voltage drop.

Build the frisker bfo metal detector.

This ic consumes 12v single. Is often prohibitive for seekers looking for buried treasures. Can anyone give me any circuit for that kind of detector. Simple metal detector circuit diagram with 555 timer and applications. Steels which could be sensed by steel detectors series is steel things which contain iron aspects or can influence the magnetic field strength. Metal detectors are useful for finding metal inclusions hidden within objects, or metal objects buried underground. Here are some metal detector circuits from three separate circuit circus columns. Building your own metal detector is an ideal school, college, business, or hobby project. Metal detector circuit is a device that serves to determine the visibility of a things with a metal material. I need a cheap metal detector for a ferrous material with a range of at least 3'. Last updated on may 16, 2020 by admin leave a comment. The russian pulse metal detector clone pi avr full project made in creece by fotis. Metal detector is used to check the persons in theatres, shopping malls, hotels etc.

Related : Build A Metal Detector Circuit Imprimé : This is a simple single chip metal detector circuit based on ic cs209a from the cherry semiconductors..